Cùm treo ống còn có tên gọi khác là đai treo ống, đai treo (Tên tiếng anh: Sprinkler type clamp) được sử dụng trong thi công “giao thông đường ống” để dẫn khi thải hoặc nước thải.
1. Đặc điểm chế tạo của cùm treo ống
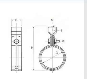
![]()
Bản vẽ kĩ thuật đai treo ống
- Cùm treo ống được chế tạo từ Thép CT3 của Nga, SS400 của Nhật… Đây là 2 loại thép cacbon thông thường dùng trong chế tạo chi tiết máy, khuôn mẫu, chế tạo các loại vật tư phụ trợ. Thép SS400 và thép CT3 có giới hạn bền kéo từ khoảng 400-510 Mpa.
- Bề mặt cùm treo ống được xử lý mạ kẽm điện phân (Zinc plated) hoặc mạ kẽm nhúng nóng (Hot dipped galvanized) để hạn chế khả năng bị ăn mòn của cùm treo bởi điều kiện môi trường bên ngoài. Độ dày lớp mạ kẽm điện phân là 15-20 micromet, mạ kẽm nhúng nóng là 35-40 micromet.
- Bản rộng của đai treo ống đạt từ: 25-30mm; độ dày của đai treo từ 1.4-1.8mm, chiều cao đai treo từ 80-400mm.
>> Xem thêm: Báo giá đai treo ống nước Thịnh Phát 2022
2. Các loại đai treo
Đai treo dùng trong thi công hệ thống đường ống gồm nhiều loại với nhiều hình dáng khác nhau, phù hợp cho việc thi công dang ống đứng và ống nằm ngang. Trong đó có 6 loại đai treo ống được sử dụng phổ biến và dễ thi công nhất:
- Đai treo gắn ecu
- Đai treo ống
- Đai treo đu đủ/ đai treo quả bí
- Đai xiết inox
- Đai hai nửa
- Đai Omega
Để tìm hiểu chi tiết về các loại đai treo này, bạn có thể tham khảo đường link dưới đây:
>> https://thinhphatict.com/danh-sach-6-loai-dai-treo-ong-duoc-su-dung-pho-bien
![]()
Đai treo sản xuất tại nhà máy Thịnh Phát
3. Cách thức thi công với đai treo ống
Đai treo ống thường được thi công theo cách thức nằm ngang hoặc thẳng đứng. Trường hợp, nếu đai treo được đặt trên một mặt phẳng hoặc có vật liệu đỡ thì hệ thống “giao thông đường ống” sẽ được cố định với đai treo Omega và một số vật liệu phụ trợ khác như: bulong, ecu, long đen.
![]()
Đai treo quả bí thi công hệ thống đường ống
Trường hợp không có mặt phẳng đỡ hoặc giá đỡ, hệ thống ống sẽ được đỡ bởi đai treo ống và ty ren treo trần hoặc thanh unistrut/ thanh treo đa năng. Kích thước lỗ chờ của đai treo sử dụng ty ren mịn hoặc ty ren inox có đường kính ren M10 hoặc M12. Các loại đai treo được sử dụng để treo ty gồm: đai treo gắn ecu, đai treo ống, đai treo quả bí, đai hai nửa.
>> Xem thêm: 6 loại đai treo được sử dụng nhiều nhất | Báo giá đai treo ống
Nhà máy cùm treo ống Thịnh Phát chuyên sản xuất các loại đai treo ống, cùm treo ống nước theo tiêu chuẩn chất lượng, đảm bảo độ dày và bề mặt lớp mạ tốt nhất với mức giá cạnh tranh nhất. Sản phẩm đã được kiểm định chất lượng lượng bởi Tổng cục tiêu chuẩn đo lường chất lượng (Quatest1).
![]()
Nhà máy sản xuất đai treo ống Thịnh Phát
Lưu ý: Các sản phẩm đai treo ống Thịnh Phát sẽ được dập trực tiếp logo THỊNH PHÁT lên thân đai treo. Để tránh mua phải các sản phẩm kém chất lượng, quý khách có thể đến xem mẫu trực tiếp tại văn phòng giao dịch công ty Thịnh Phát hoặc liên hệ để nhận mẫu đai treo miễn phí!
Quý khách hàng có nhu cầu báo giá đai treo ống và phụ kiện tại Hà Nội & TP. Hồ Chí Minh, vui lòng liên hệ theo thông tin sau đây để được hỗ trợ nhanh nhất:
CÔNG TY TNHH THƯƠNG MẠI VÀ ĐẦU TƯ XÂY DỰNG THỊNH PHÁT
Sản xuất vật tư phụ trợ cơ điện và xây dựng từ năm 2005
Trụ sở chính & Nhà máy 1: Lô 5, Yên Phúc, CCN Biên Giang, Phường Biên Giang, Quận Hà Đông, TP. Hà Nội
Nhà máy 2: Lô CN 3-1 CCN Yên Dương, Ý Yên, Nam Định
CN phía Nam: 300B/2, đường ĐT 743, khu phố 1B, P.An Phú, TP.Thuận An, Bình Dương
Hotline: 0936 014 066
Email: info@thinhphatict.com

